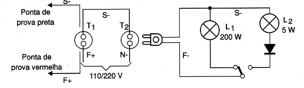
This is the traditional configuration of a standard lamp with a rectifier. Only incandescent lamp can be used and for the rectified version a 5 W lamp.
Found in Motorola documentation from the 1980s, this circuit employs an integrated device from...
This simple regenerative receiver for the medium wave range is from a 1956 Sylvania publication. Details...
This bidirectional motor control was found in an 80's Electronic Engineering. The circuit uses a...