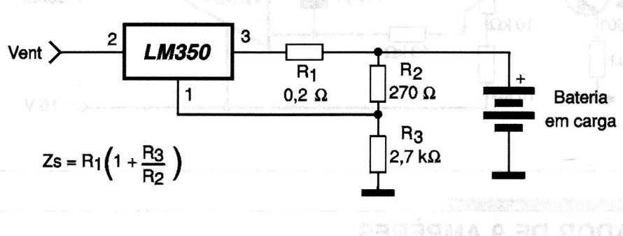
This type of circuit and with this integrated circuit appears several times on this website. The circuit has the components dependent on the desired current in the load.
This circuit was found in an old American magazine for radio amateurs. The circuit is based on a...
The LDO series (Low Dropout) TPS80 from Texas Instruments (www.ti.com) can provide output voltages...
This circuit is from Motorola's 1990 Linear Databook. We can implement it with other operational...