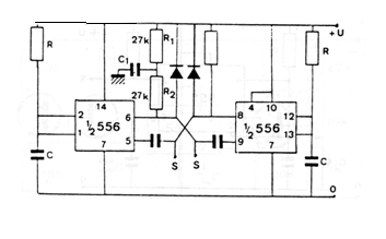
This circuit has an oscillating system in which the firing of one monostable reset the other. The time constants can be programmed separately, and the supply is made with voltages from 5 to 15 V. The circuit is from an old documentation and the capacitors without value are from 220 nF to 470 nF.




