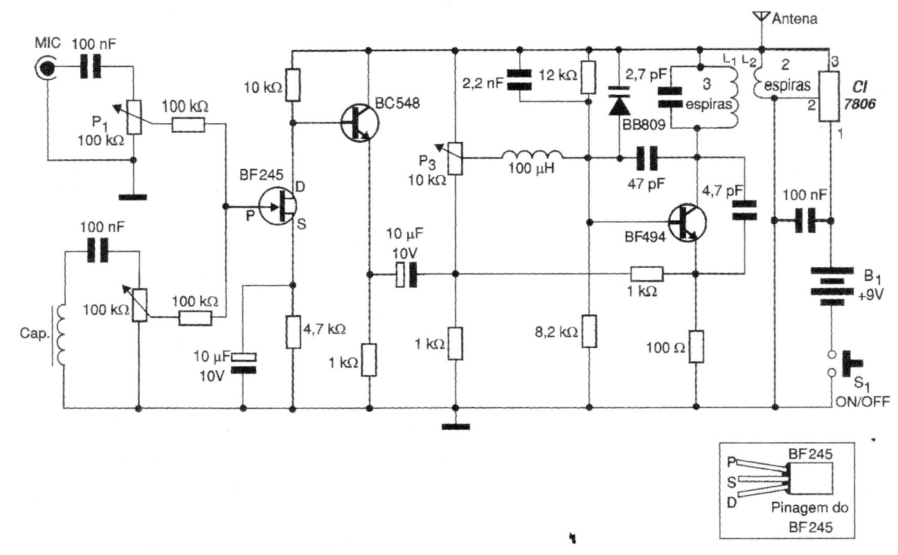
This 2003 circuit was designed to be installed on a guitar, taking advantage of the magnetic pickups of these instruments for the transmission of sound, and using a microphone for the transmission of voice without the need for cables. The device's first stage consists of a preamplifier that receives the input signals and mixes them in a dose determined by the setting of P1 and P2. These signals are then played to an FM transmitter that emits them to a common receiver whose output must be coupled to an audio amplifier. Thus, the sound reproduced will have the same power as the amplifier used. The circuit is tuned by varicap which allows the frequency adjustment in P3. The coils L1 and L2 are made with 18 AWG wire. L2 must be interlaced in L1.




