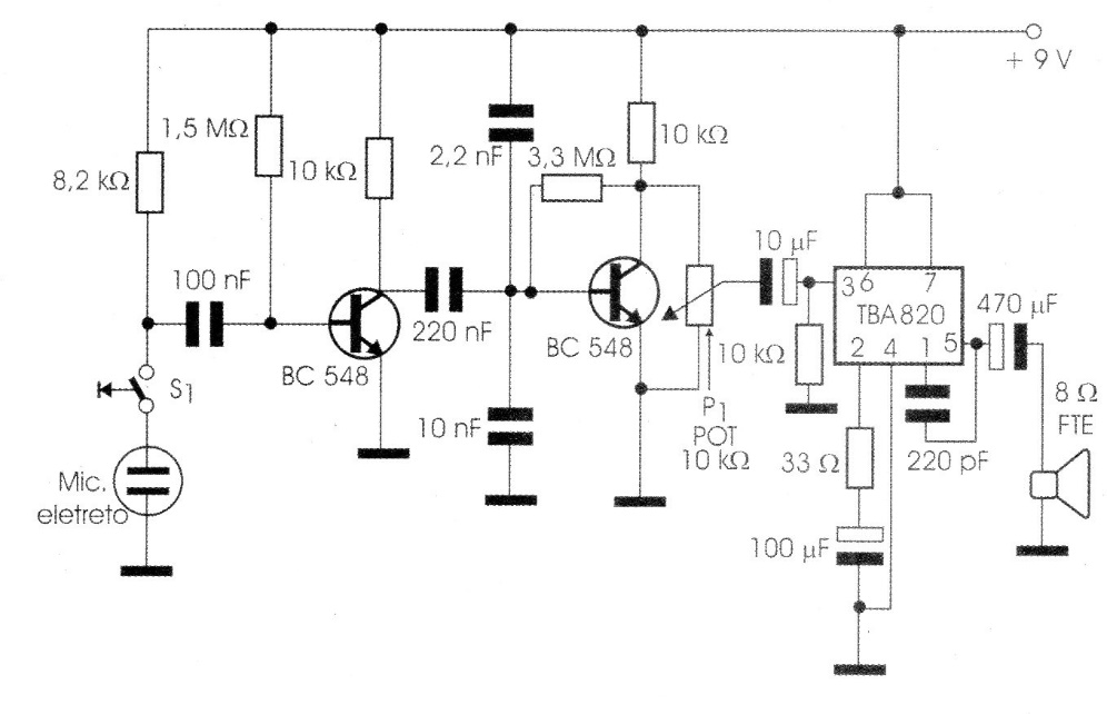
The amplifier shown can either excite a speaker in this low power version, or its input step can be used to excite larger amplifiers in P.A. (public address) systems or intercoms. The circuit is powered by a 9 V battery and has a talk key (S1) which must be pressed only when you want to have the speaker. Potentiometer P1 acts as a volume control. The microphone is a two-terminal electret, and its polarity must be observed. Your input cable must be shielded so that no humming can occur, as the input stage is high-gain.




