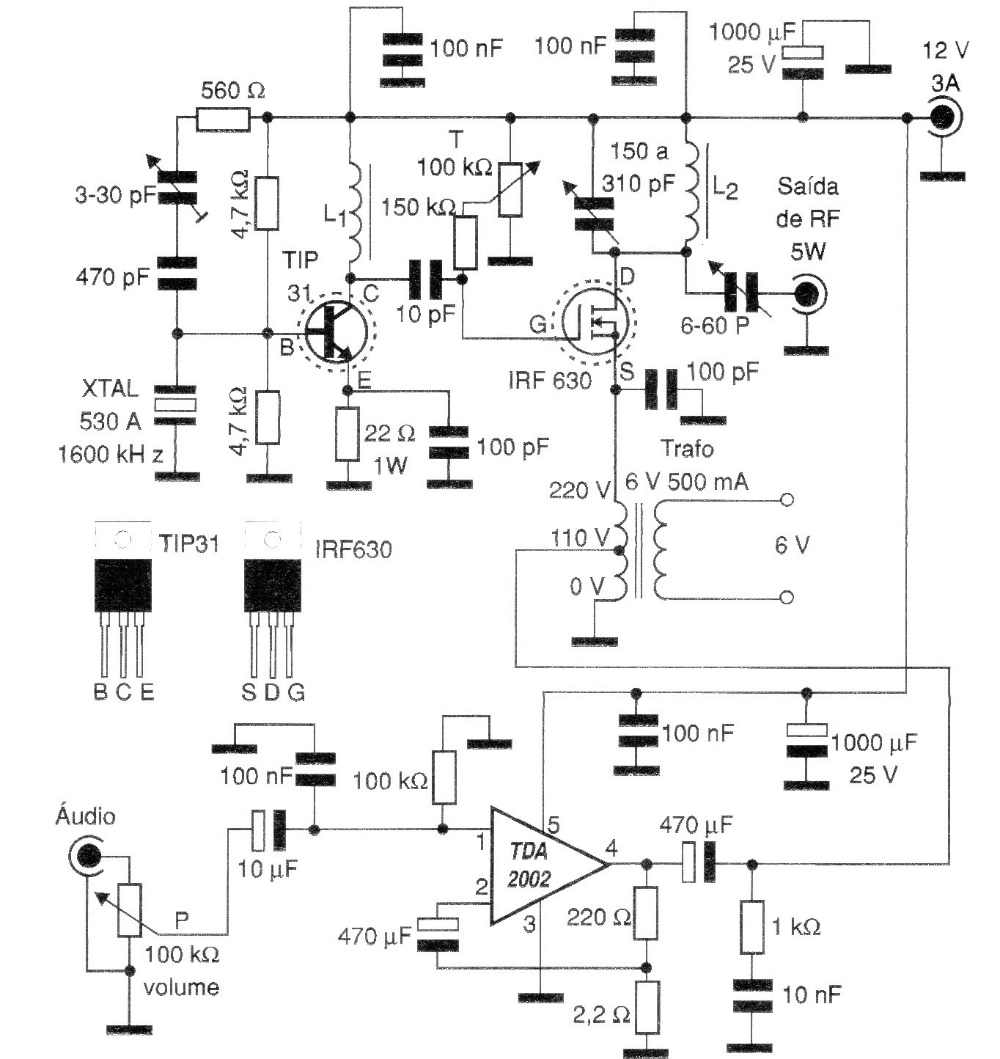
This transmitter has a reasonable range despite operating in the 530 to 1600 kHz range. The circuit is from 2006 documentation and the L1 coil has 100 turns of AWG 28 wire in a 1 cm diameter ferrite rod. L2 has 80 turns of the same wire in another core of equal dimensions. Transistors must be provided with heat sinks. The antenna must be a long wire up to 50 meters.




