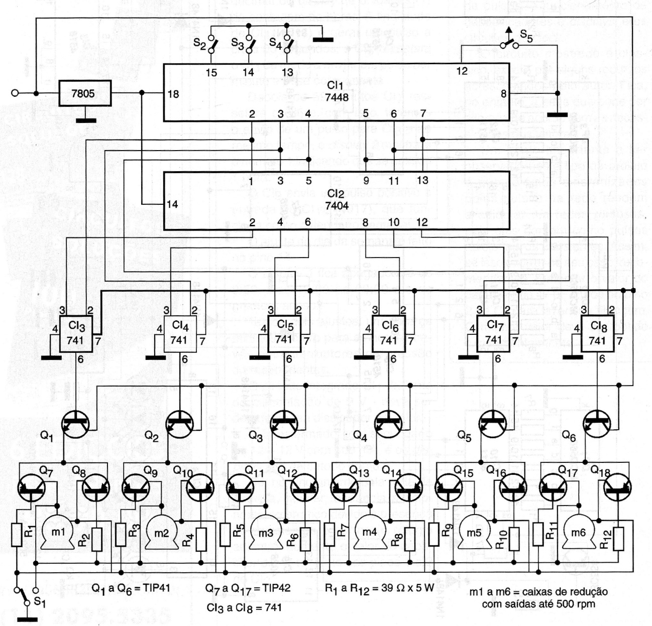
The idea of this automation can be extended to other applications that involve the control of direct current motors from logic inputs. Thus, the control keys can be replaced by sensors and the type of drive as well. Another possibility is to replace the drive transistors with power FETs so that motors with more intense currents can be controlled. See that the logic control signals can be generated by microcontrollers or even by the output of a PC since the logic used is TTL. The 2008 circuit can be adapted to operate as a shield.




