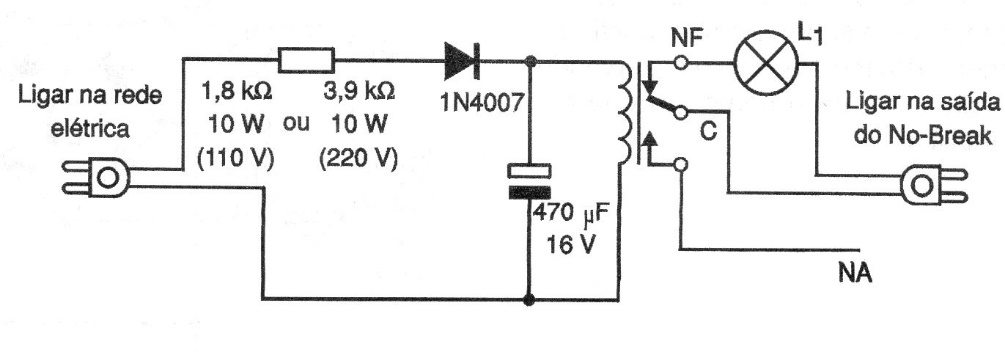
The idea of this circuit is to use a computer UPS to supply an emergency light when power is lost. The circuit can supply any type of lamp for 110 V and its autonomy will be greater the lower the consumption of the lamp.
The idea of this circuit is to use a computer UPS to supply an emergency light when power is lost. The circuit can supply any type of lamp for 110 V and its autonomy will be greater the lower the consumption of the lamp.