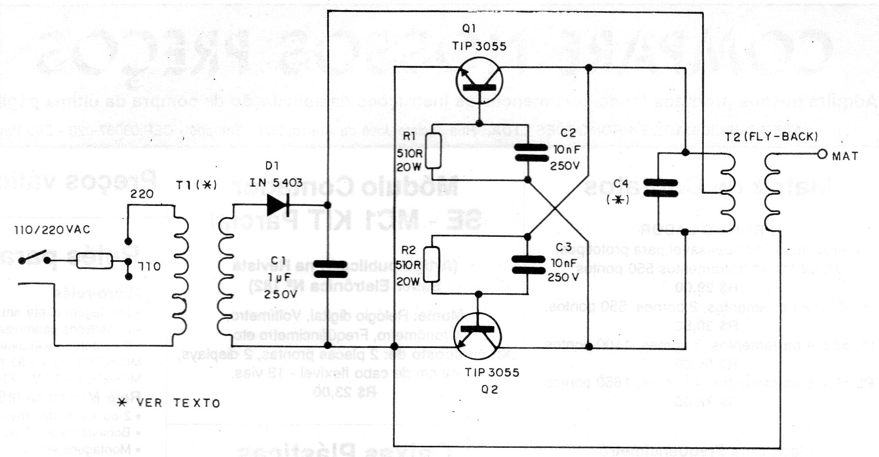
This very high voltage (VHT)generator was found in a 1995 documentation. The transistors must be equipped with heat sinks and the transformer is 15 + 15 V with 3 A. The high voltage coil consists of a flyback with exposed core where we wind 6 + 6 turns of AWG 18 wire.




