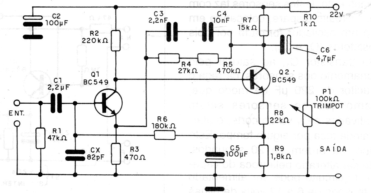
This circuit with transistors from a 1995 publication. The circuit is powered by a voltage taken from the amplifier itself. Current consumption is very low. The transistors used are common. Input impedance is 50k.
This circuit with transistors from a 1995 publication. The circuit is powered by a voltage taken from the amplifier itself. Current consumption is very low. The transistors used are common. Input impedance is 50k.