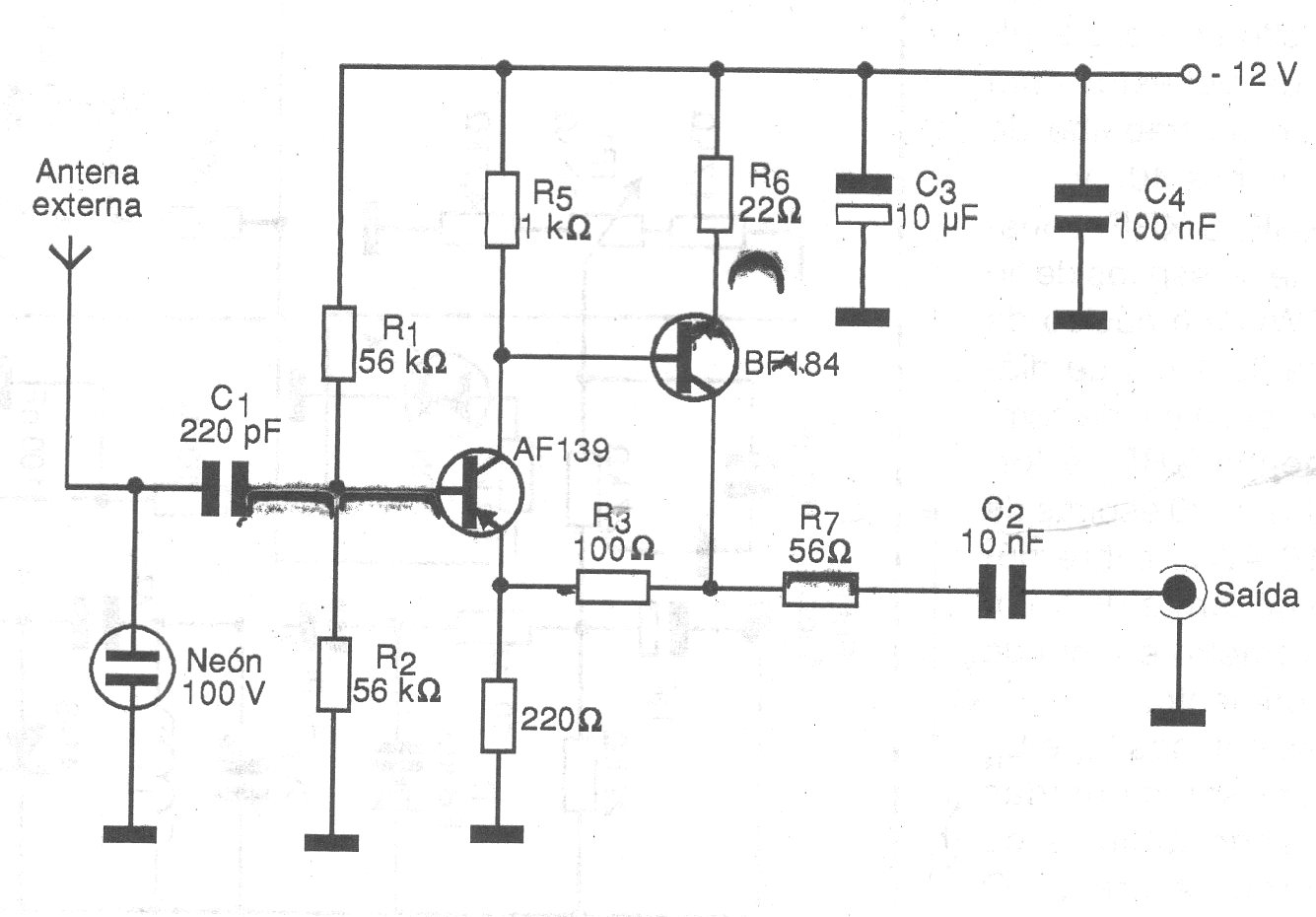
This signal booster that ranges from long waves to about 30 MHz is recommended to be used with external antennas in places with difficult reception. The circuit can be powered by a small source of about 50 mA and the neon lamp serves as a protective element against static discharges.




