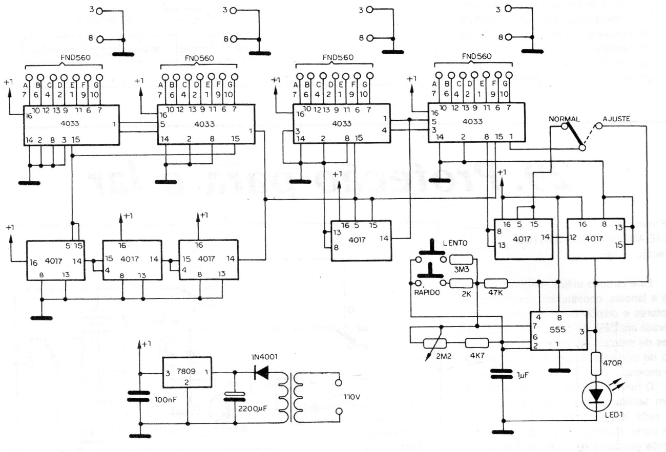
This circuit is from 1989 documentation. The circuit is based on CMOS technology and the displays are of common cathode. This project is indicated for old cars that use platinum, however, with the use of hall sensors and modified input circuits it can be adapted for modern vehicles.




