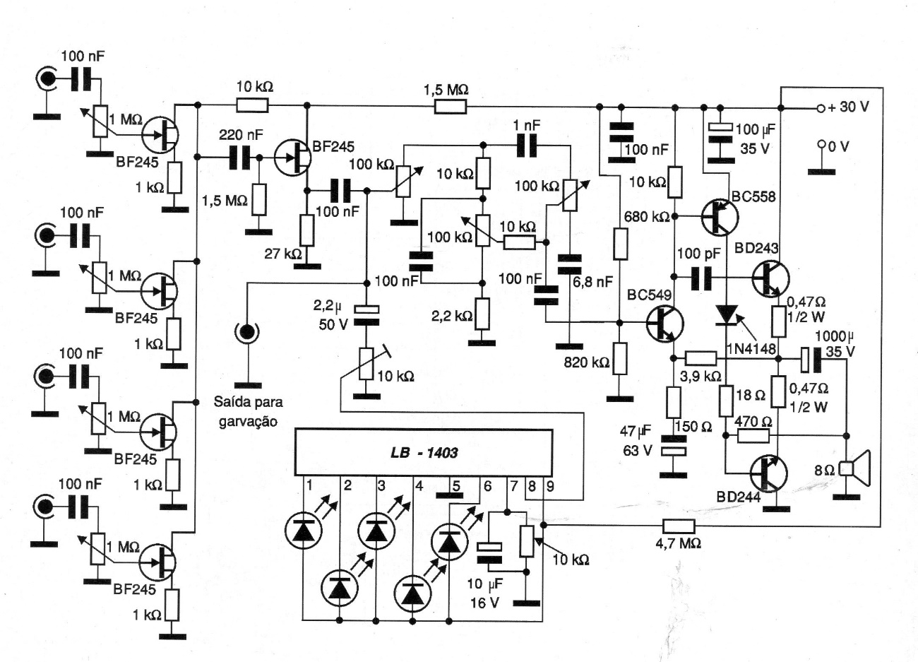
We found this project in a 2002 documentation. The transistor amplifier has a power of a few watts with excellent sound quality. The output transistors must be mounted on heatsinks and the circuit, in addition to the VU, includes a tone control.
We found this project in a 2002 documentation. The transistor amplifier has a power of a few watts with excellent sound quality. The output transistors must be mounted on heatsinks and the circuit, in addition to the VU, includes a tone control.