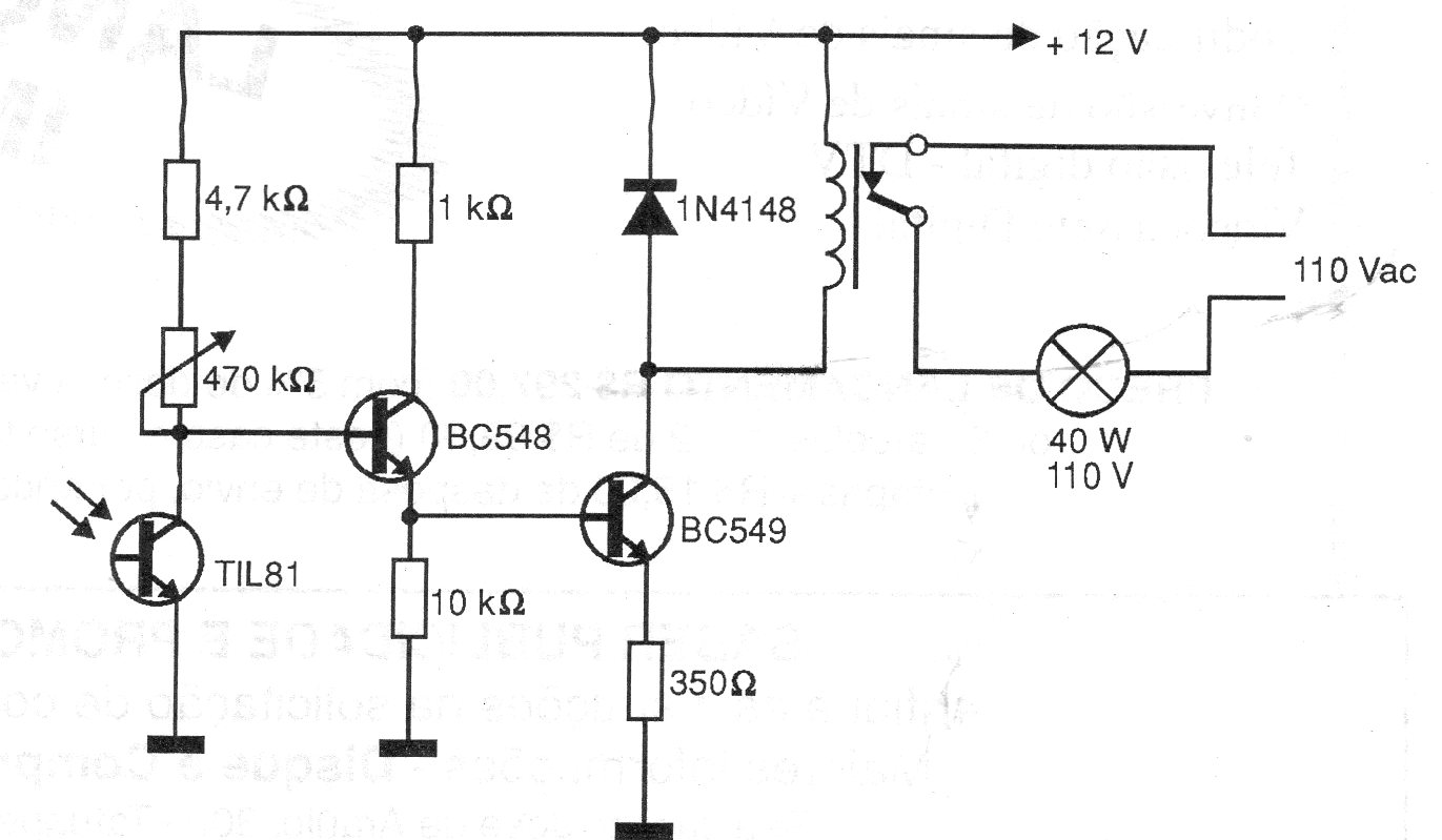
This circuit can be used in traffic alarm systems. The relay trips when the light falling on the sensor is cut off. The supply is 12 V, according to the voltage of the relay. Adjustment of trigger sensitivity is made in the trimpot. Any phototransistor can be used.




