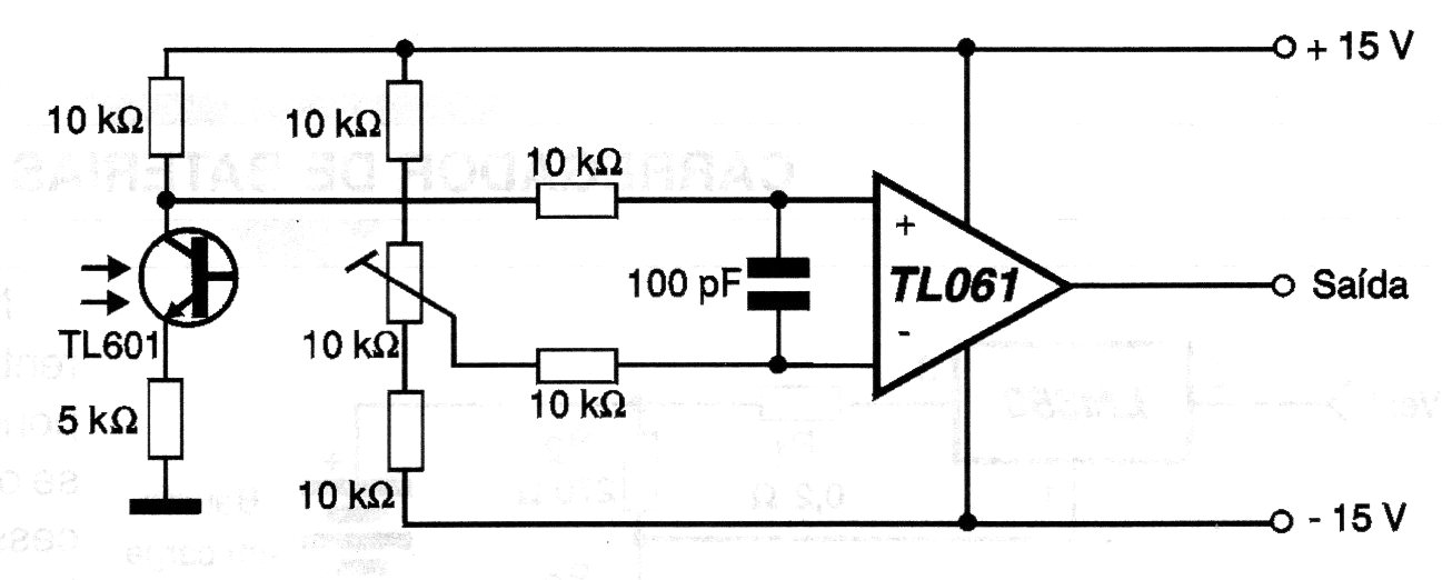
This circuit, from 2001 documentation, uses a phototransistor as a sensor and an operational amplifier with FET. The circuit is adjusted in a trimpot and the power supply must be symmetrical.
This circuit, from 2001 documentation, uses a phototransistor as a sensor and an operational amplifier with FET. The circuit is adjusted in a trimpot and the power supply must be symmetrical.