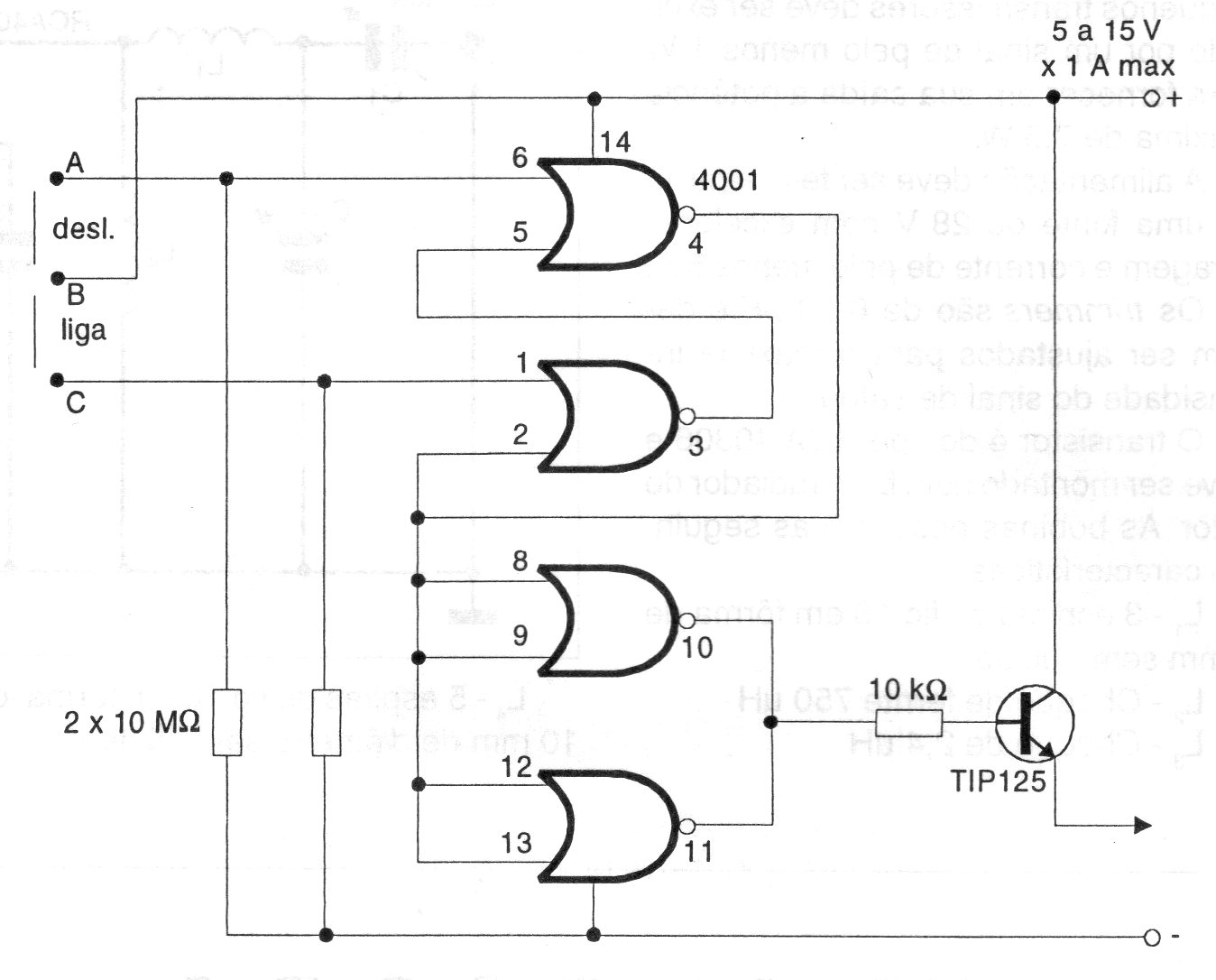
This circuit can be used to directly control direct current loads or higher alternating current loads with the use of a relay. The transistor must eventually be equipped with a heatsink if the load is more than 500 mA. The supply can be done with voltages from 5 to 12 V depending on the controlled load. Do not use a source without a transformer if the sensors are touch sensors.




