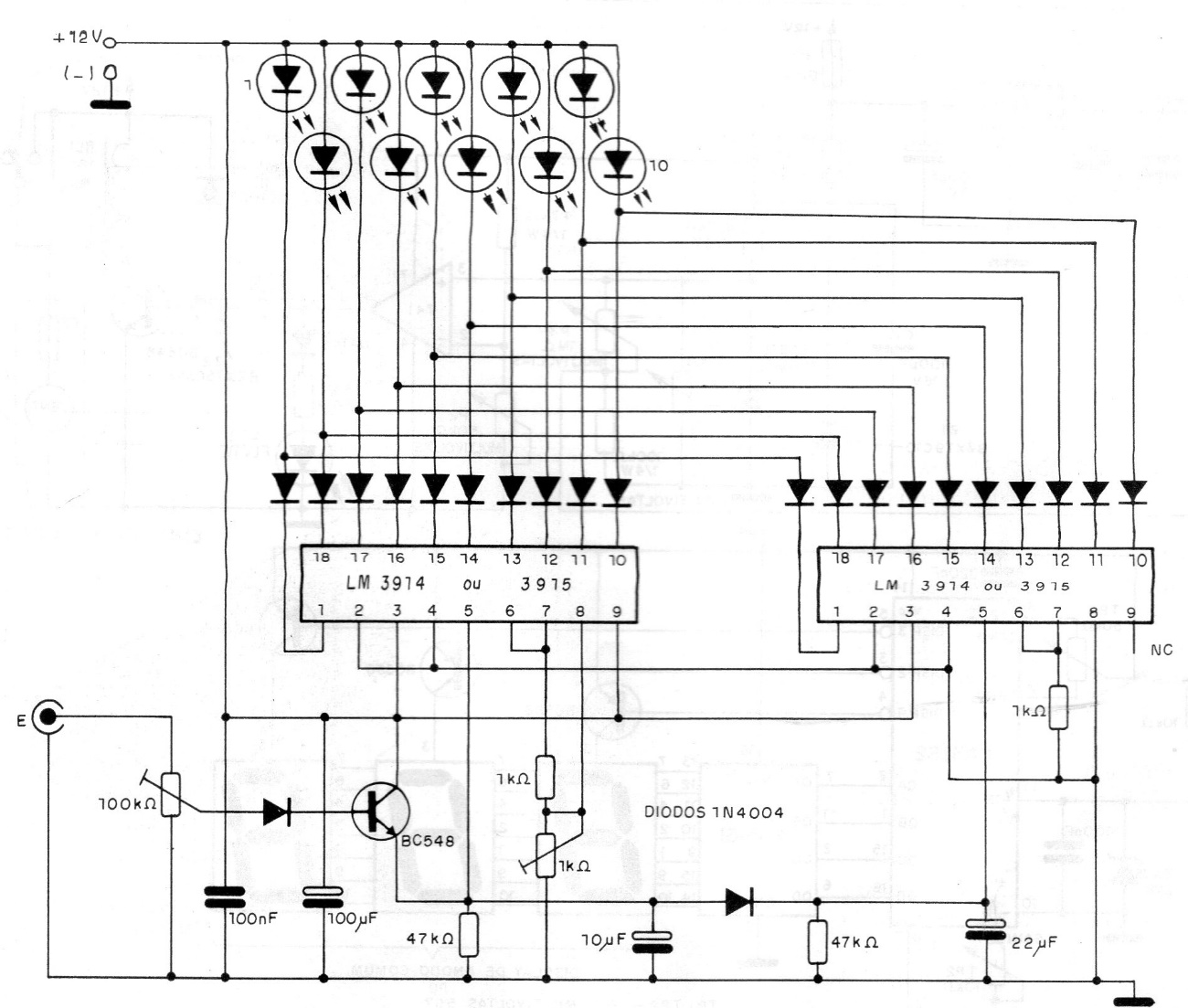
This bargraph VU meter with the LM3914 has an additional feature which is the peak indicator. In it, a luminous point remains on when the LED bar goes off indicating how far the signal has gone. The circuit is powered by 12 V and adjustments are made through trimpots.




