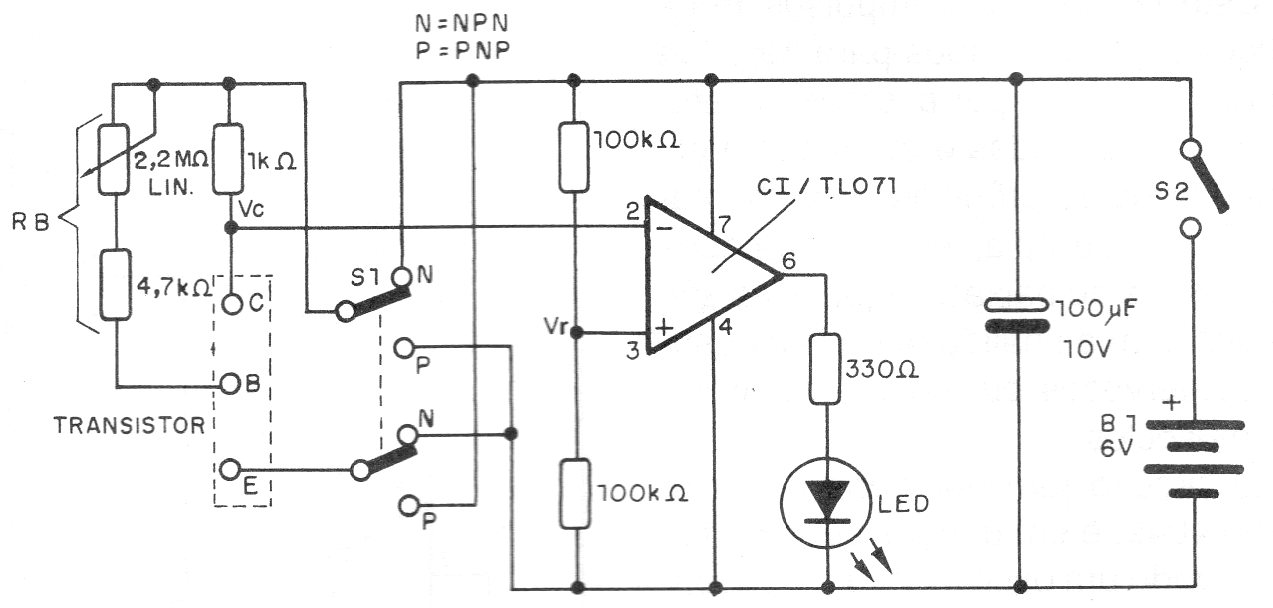
This circuit was found in a 1995 documentation and is very simple to assemble, as the components are common. It tests NPN and PNP transistors and the gain is measured by the LED transition, according to its value given in the table.
This circuit was found in a 1995 documentation and is very simple to assemble, as the components are common. It tests NPN and PNP transistors and the gain is measured by the LED transition, according to its value given in the table.