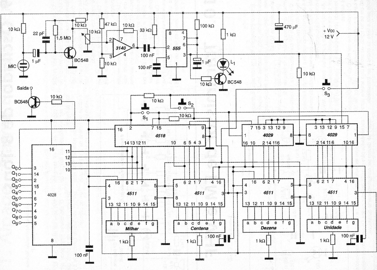
This 2003 circuit serves to digitally show the intensity of a sound captured by a microphone. Operation: the electret microphone receives the sampled sound signal and transforms it into a corresponding electrical signal that is amplified by the BC548 transistor. Once amplified, the signal passes to the operational amplifier CA3140 that has its output connected to a monostable with the CI 555. This CI produces pulses proportional to the signal strength, sending them to the CI 4515. Each of the ICs produces a binary sequence for the decoders formed by the 4511 ICs.




