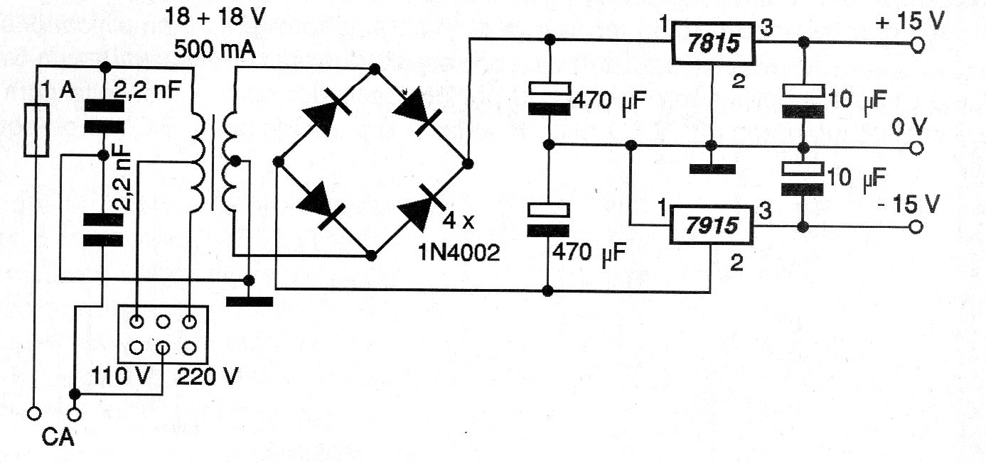
This symmetrical power supply uses regulators from the 78xx and 79xx series and can be adapted to supply other voltages according to the xx of the regulators. These must be equipped with heat sinks and the maximum current is 1 A. This circuit is suitable for the CB18004E project.




