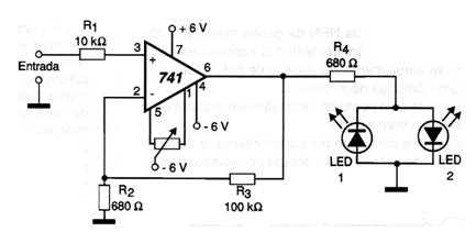
This circuit indicates the polarity of a voltage applied to the input. The circuit can make use of other operational ones and the input voltage can be in a range of -12 to +12 V. The circuit has a very low consumption. The resistor R3 determines the gain of the circuit and can be changed.




