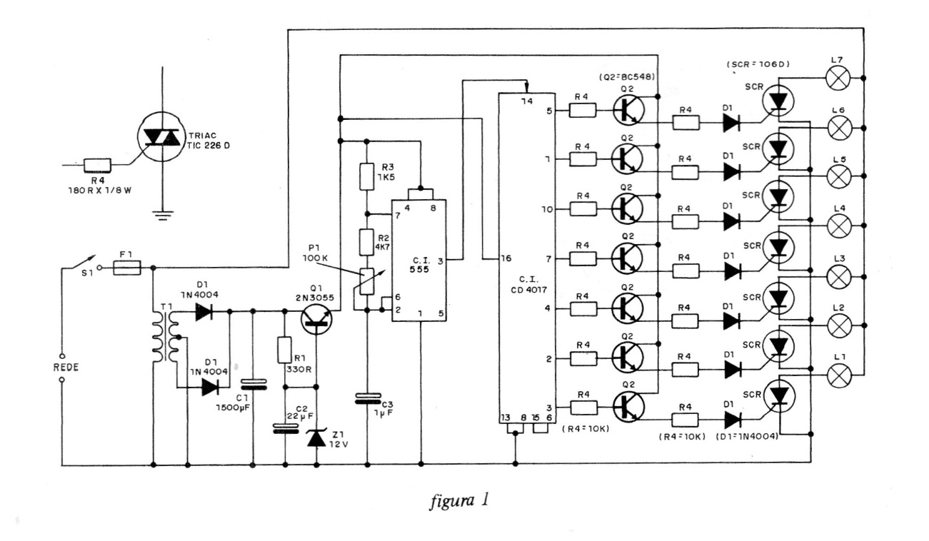
This circuit consists of a common version of the sequences with 4017 and 555, including a small power supply. The circuit controls high-power incandescent lamps and the SCRs must be mounted on heat sinks. The effect speed is set at P1. R4 and 470 ohms and trip diodes can be 1N4002.




