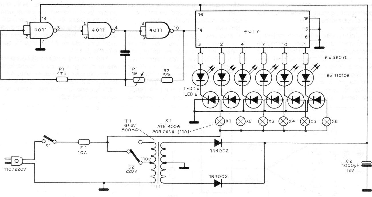
This sequential circuit drives 6 SCRs that control incandescent lamps. Other types of lamps should not be used, and SCRs should be provided with appropriate heat sinks. Adjusting the effect speed is done P1.
This sequential circuit drives 6 SCRs that control incandescent lamps. Other types of lamps should not be used, and SCRs should be provided with appropriate heat sinks. Adjusting the effect speed is done P1.