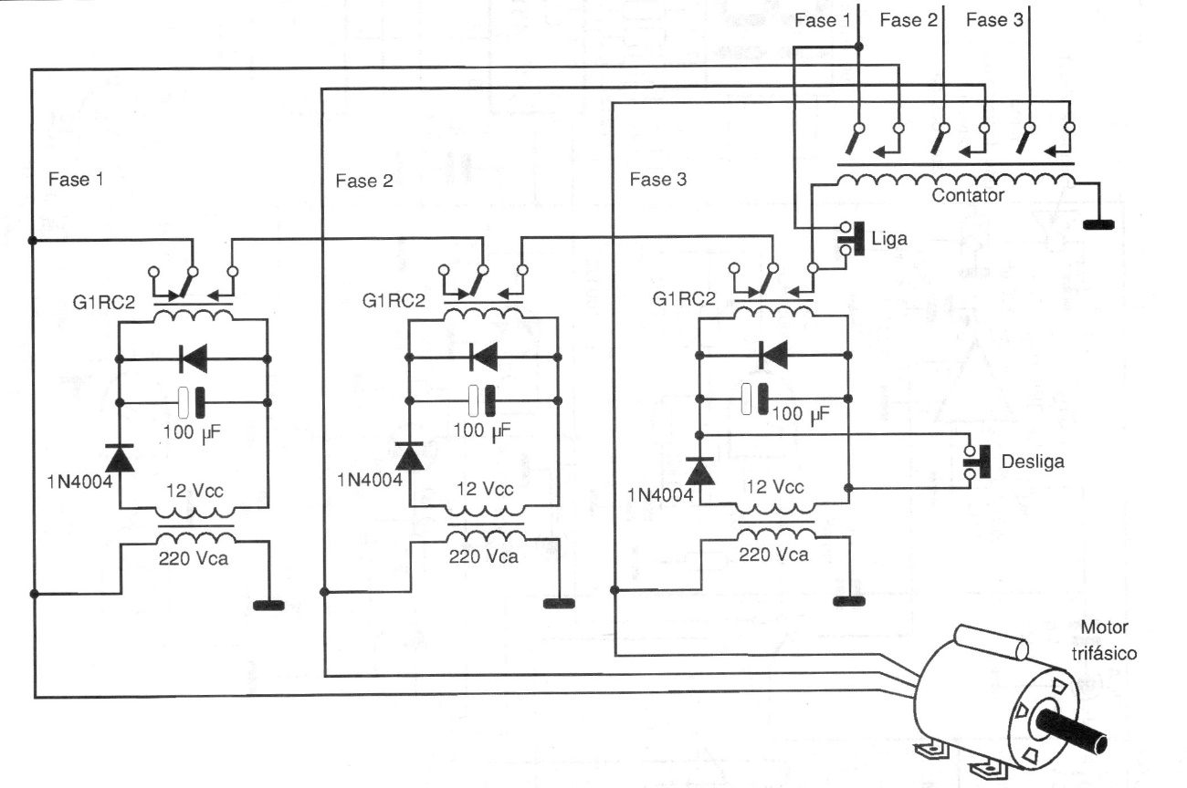
This circuit shuts down a three-phase motor in the event of missing one or two phases, thus protecting its integrity. The relays used are 12 V with contacts that support the current required to activate the contacts.
This circuit shuts down a three-phase motor in the event of missing one or two phases, thus protecting its integrity. The relays used are 12 V with contacts that support the current required to activate the contacts.