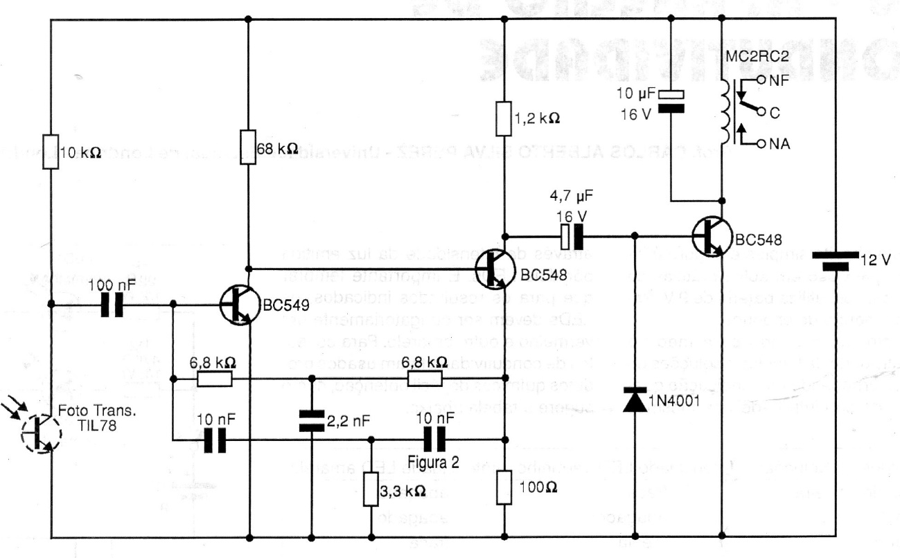
This is the receiver for the CB17133E. Its main feature is that it uses only transistors. The relay is for 12 V and the sensor must be installed in a tube with a lens for greater sensitivity and directivity. The circuit is from old documentation, but the components are still common today.




