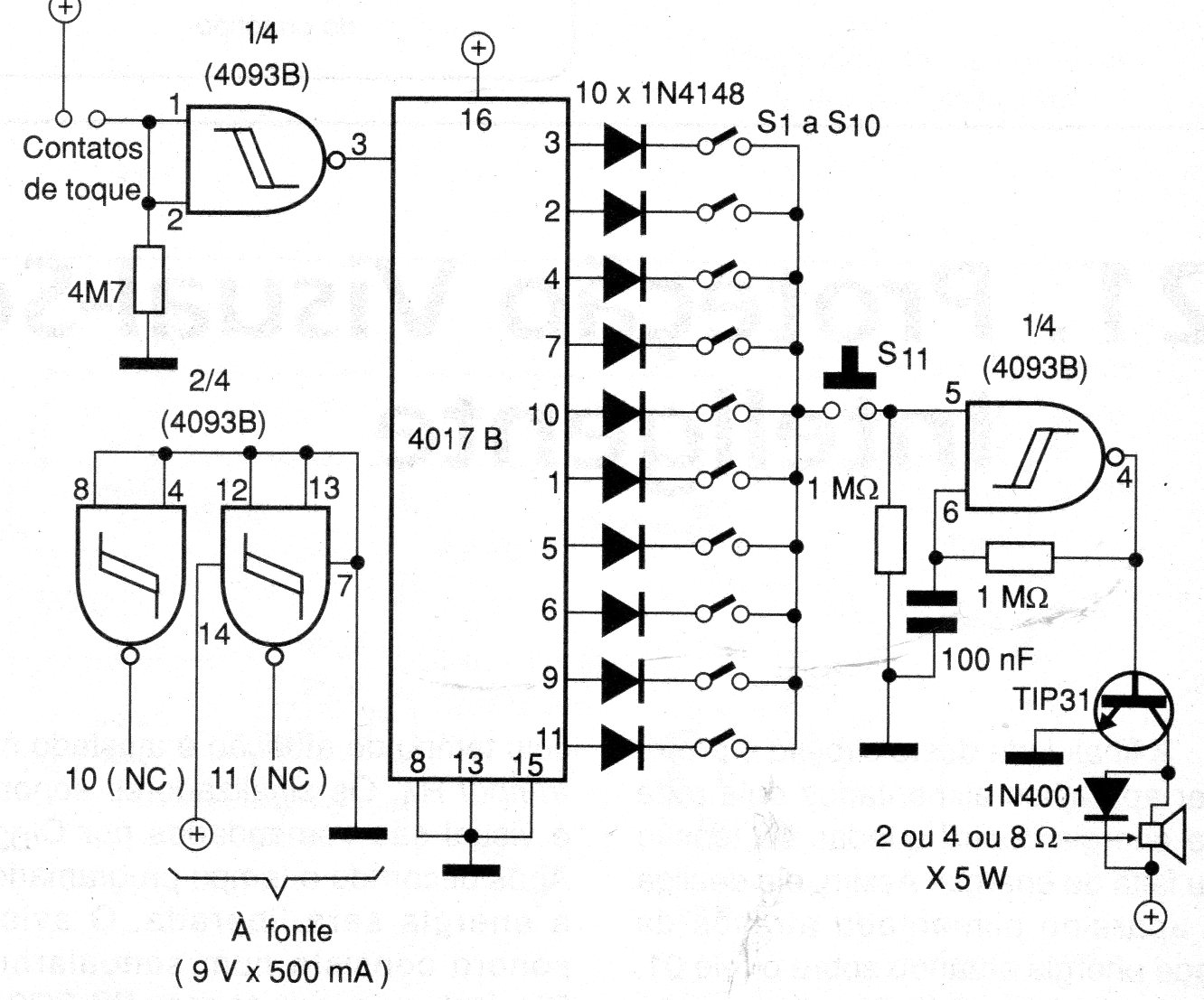
We found this circuit in a 2003 documentation. The purpose is to make the player choose one or two keys that must be activated. When pressing S11, if the circuit emits sound, we will have the winner. The game can also be of the "Russian roulette" type in which each player in turn chooses a key and pulls the S11 trigger. If there is sound, it loses. The touch contacts are used to draw the output that will be active.




