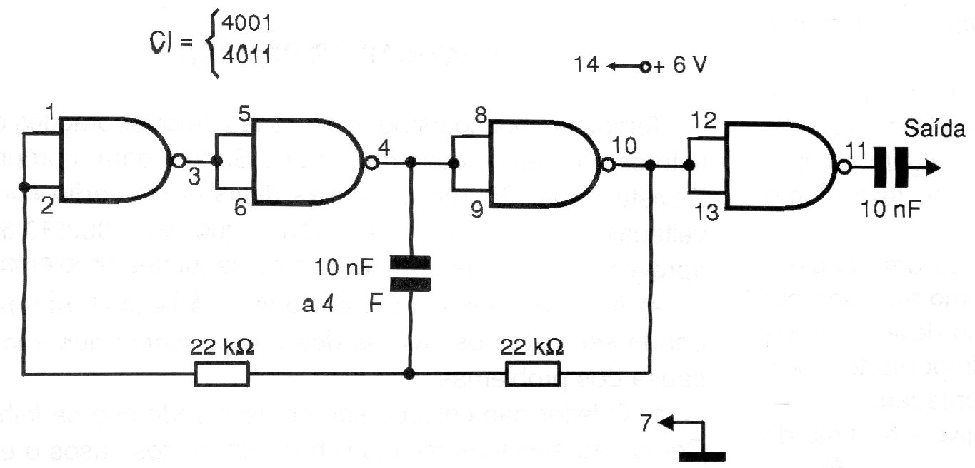
This circuit, which appears at other points on this site, can be designed with both 4011 and 4001 and fed with voltages from 3 to 12 V. The frequency depends on the capacitor that can be changed over a wide range of values. The signal produced is rectangular rich in harmonics.




