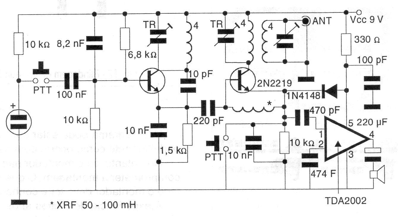
This circuit is from 1998 documentation. The coils consist of the number of turns indicated on each one with 24 or 26 wires in the form of 1 cm. The capacitors must be ceramic, and the shock consists of 50 turns of fine wire (32) in a 100k x ½ W resistor. The circuit is powered by medium batteries since the TDA2002 has a high consumption.




