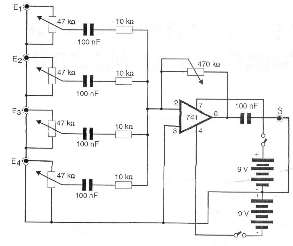
This circuit is a traditional mixer version with the operational 741 and appears several times on this site. The circuit must be powered by a symmetrical source of 6 to 12 V and the signal input and output cables must be shielded.
This circuit is a traditional mixer version with the operational 741 and appears several times on this site. The circuit must be powered by a symmetrical source of 6 to 12 V and the signal input and output cables must be shielded.