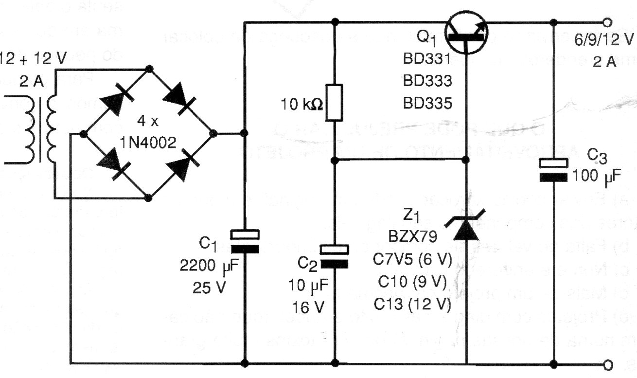
This power supply can supply voltages of 6, 9 or 12 V depending on the zener used. The maximum current is 2 A, and the power transistor must have a heat sink. This power supply has no short circuit protection at its output.
This power supply can supply voltages of 6, 9 or 12 V depending on the zener used. The maximum current is 2 A, and the power transistor must have a heat sink. This power supply has no short circuit protection at its output.