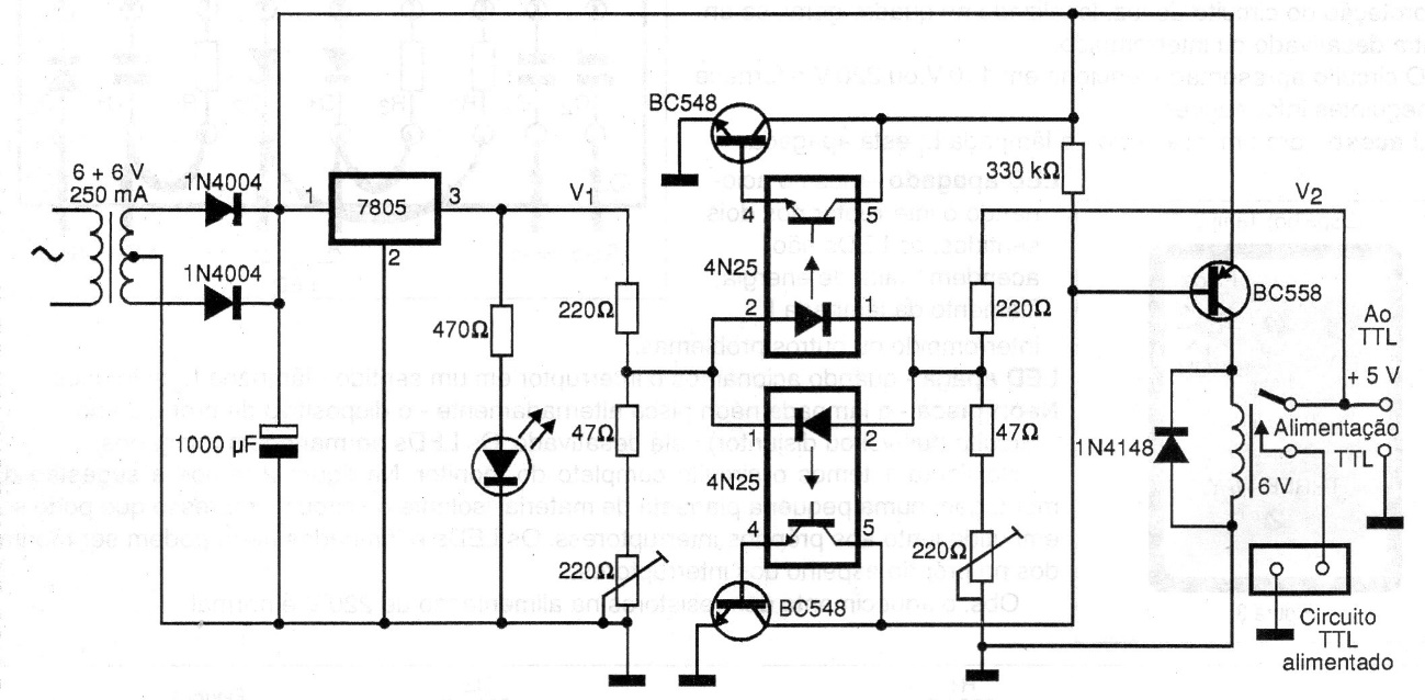
The purpose of this circuit is to prevent TTL circuits from receiving a voltage greater than 5 V when in operation. The circuit uses a comparator that triggers the relay when the voltage exceeds 5 V. The adjustment is made in two trimpots.
The purpose of this circuit is to prevent TTL circuits from receiving a voltage greater than 5 V when in operation. The circuit uses a comparator that triggers the relay when the voltage exceeds 5 V. The adjustment is made in two trimpots.