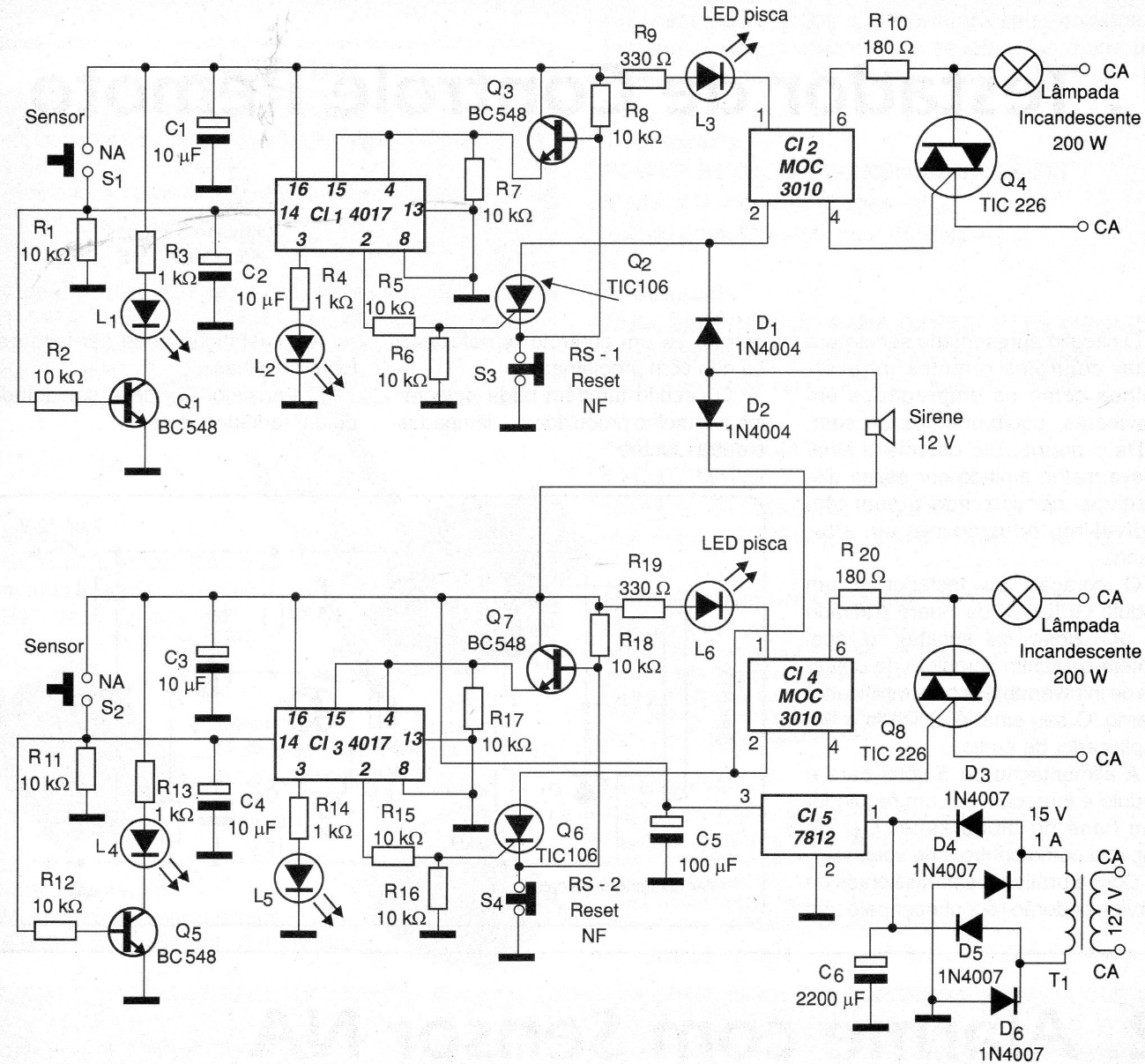
This circuit was found in 2003 documentation, but all components used are still current. The alarm has several features and uses an optical coupler to control incandescent lamps via triacs. The triacs must be equipped with heat sinks and the power must be supplied by the source included in the diagram.




