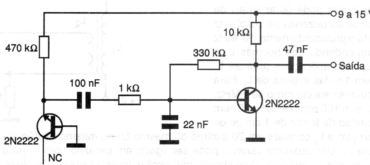
Unlike white noise, pink noise has a spectrum whose amplitude decreases with frequency. This circuit uses the noise of the junction of a common transistor and appears at several other points in this section and the website.
Unlike white noise, pink noise has a spectrum whose amplitude decreases with frequency. This circuit uses the noise of the junction of a common transistor and appears at several other points in this section and the website.