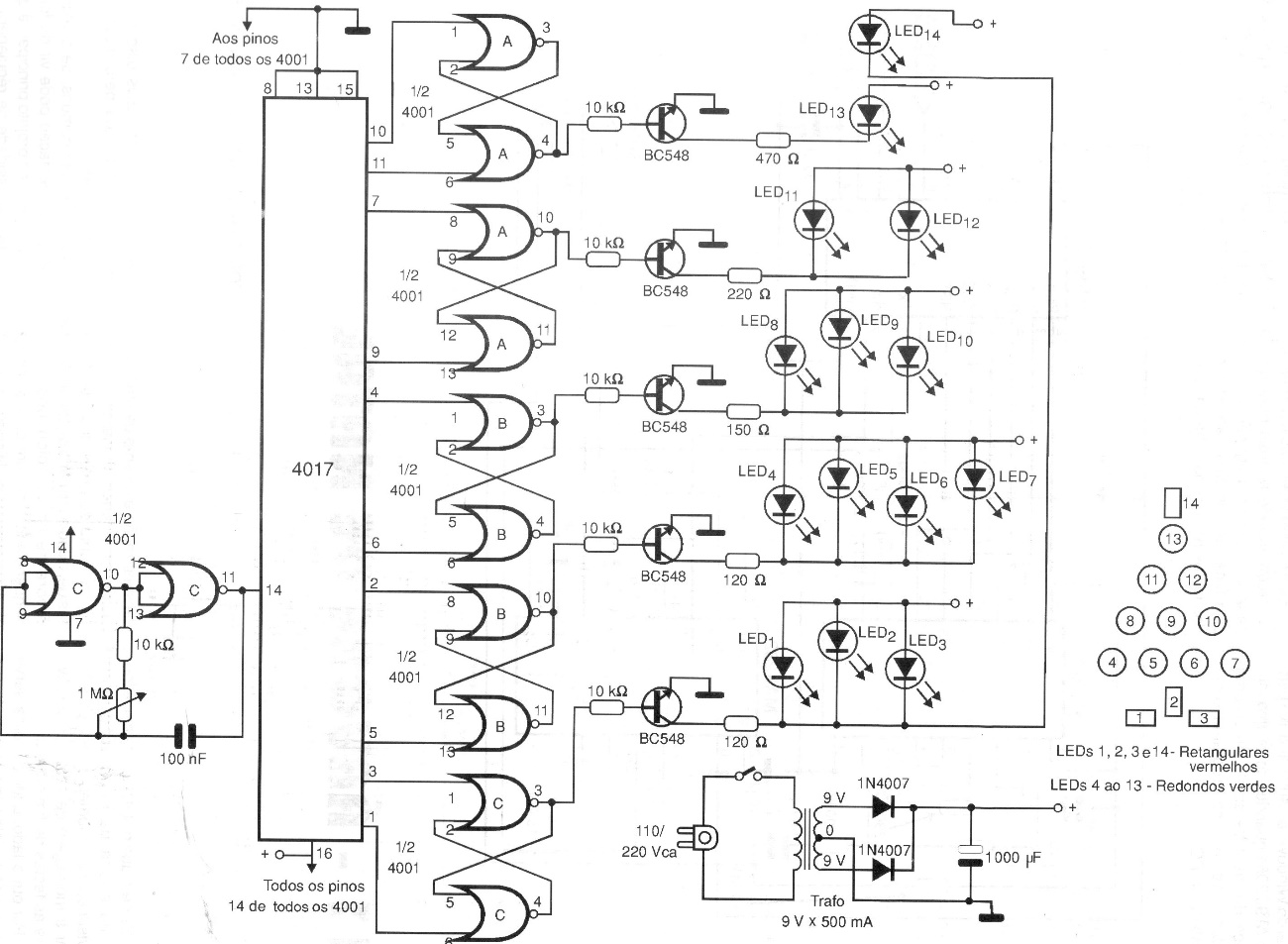
This interesting electronic Christmas tree circuit using LEDs and integrated CMOS was found in a 1999 documentation. Powered by voltages from 6 to 12 V or by the source given next to the diagram, it causes special effects to be obtained in a set of LEDs arranged in the form of a Christmas tree.




