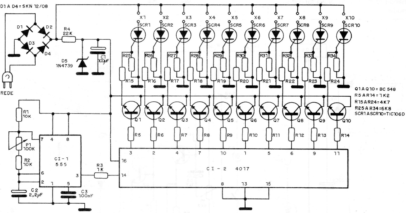
This circuit is used to run light bulbs around street signs. Incandescent lamps up to 40 W are used (those of 60 W or more, no longer manufactured) and SCRs must be equipped with small heat sinks. According to the SCRs the circuit will work on both the 110 V and 220 V network.




