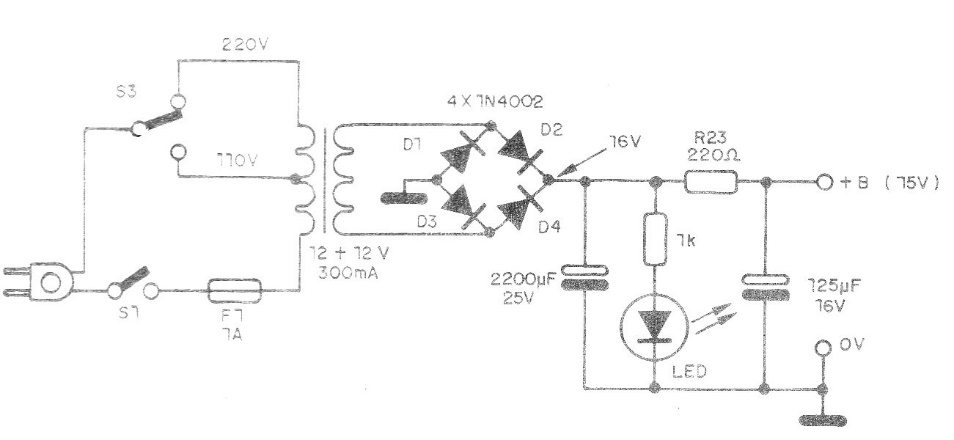
This simple, unregulated power supply is indicated for non-critical projects that require currents up to 300 mA or slightly more if the transformer is changed. Resistor R23 must be at least 1 W. The circuit is indicated for supplying the Mixer of the CB17357E.




