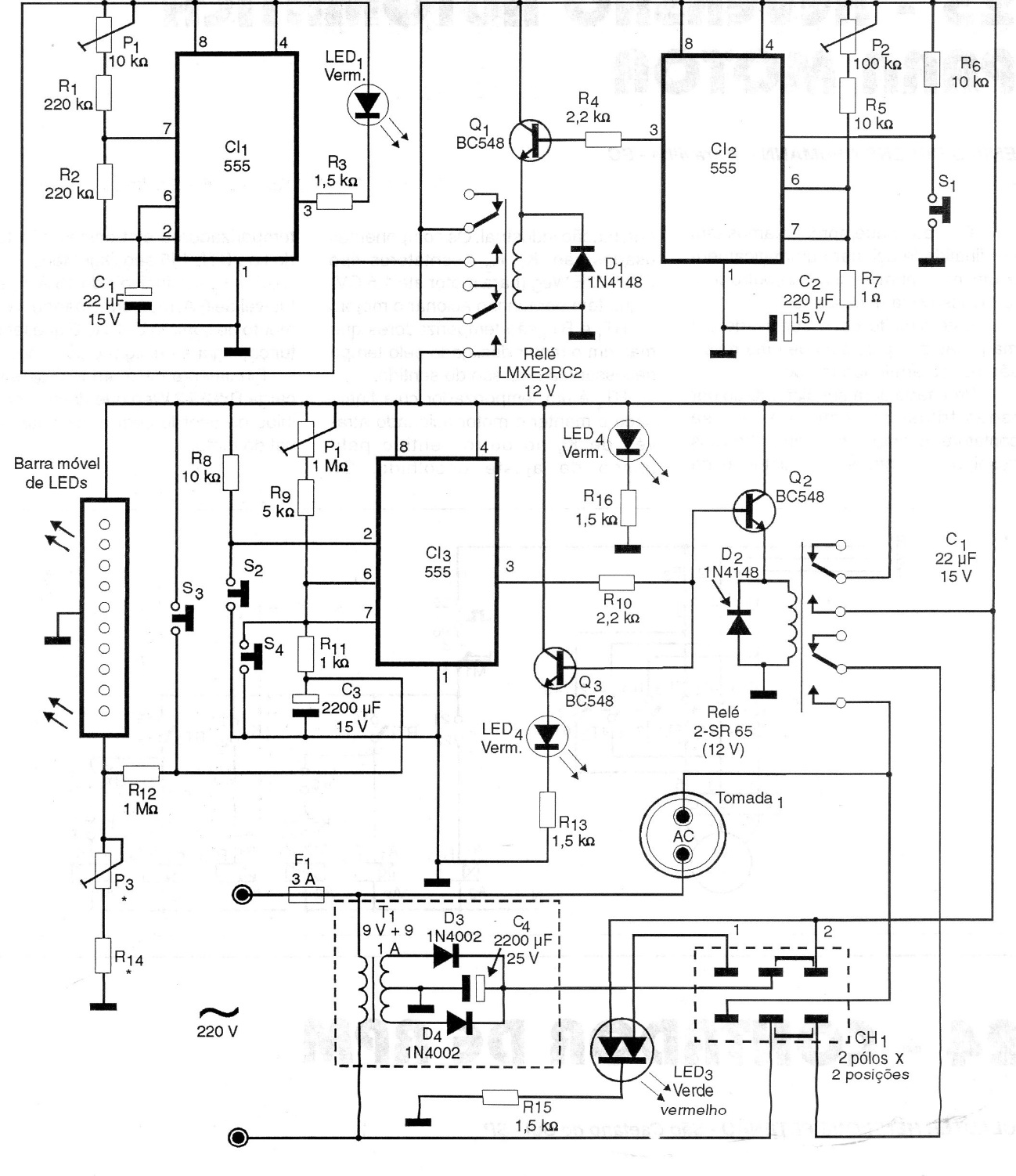
This super timer, found in a 1997 documentation, has several features, being used to turn off an appliance after a set time interval in the trimpots. The circuit includes the power supply and the relays used are for 12 V.
This super timer, found in a 1997 documentation, has several features, being used to turn off an appliance after a set time interval in the trimpots. The circuit includes the power supply and the relays used are for 12 V.