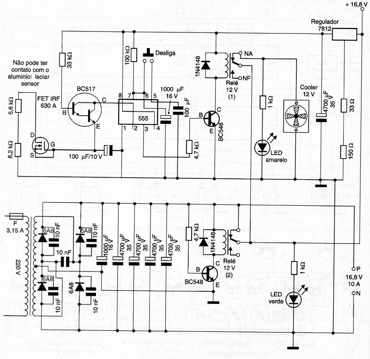
This power supply has been operating for more than a year powering an 800-watt Piramid Gold Series in an automobile. The 6 + 6 B x 10 A transformer was taken from an SB500 Power Line UPS. The function of relay 2 is to disable the sensing system in the event of a power failure, so as not to deplete the car battery. The source also serves as a battery charger. The diodes must be mounted on a large aluminum radiator, and the ET IRF630 sensor must be installed on that same heatsink. The Darlington BC517 transistor can eventually be replaced by two BC548 in the same configuration.




