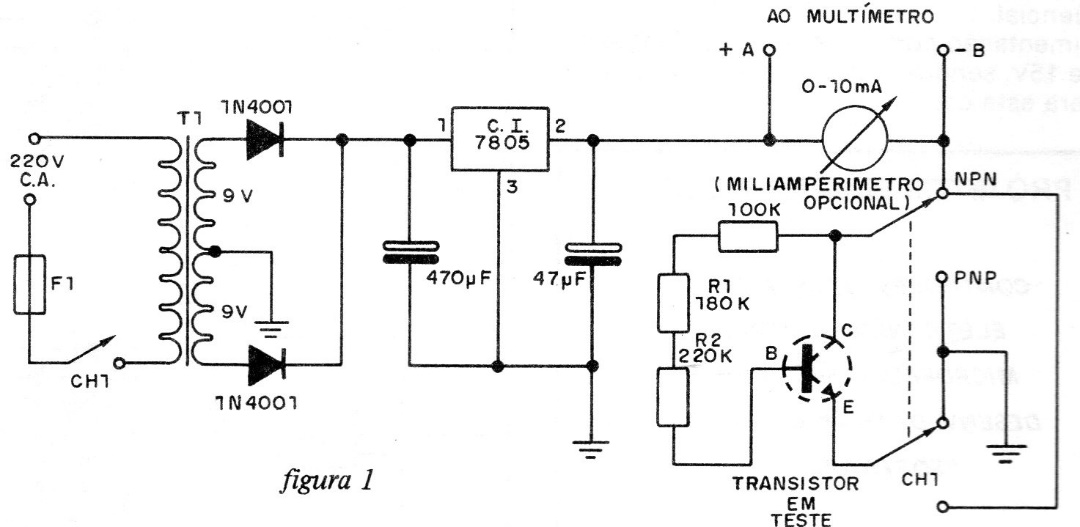
With this simple tester you can measure the gain of an NPN or PNP transistor. The instrument can be a 10mA full-scale milliammeter or the corresponding current scale of an ordinary multimeter. The circuit includes a regulated source, but it can also be powered by batteries.




