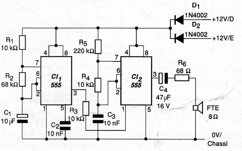
Older cars and some modern models do not have an audible direction indicator. This simple circuit can be adapted to the car, using components common in our market. The circuit is from 2002 documentation. The components can be changed to change the sound.




