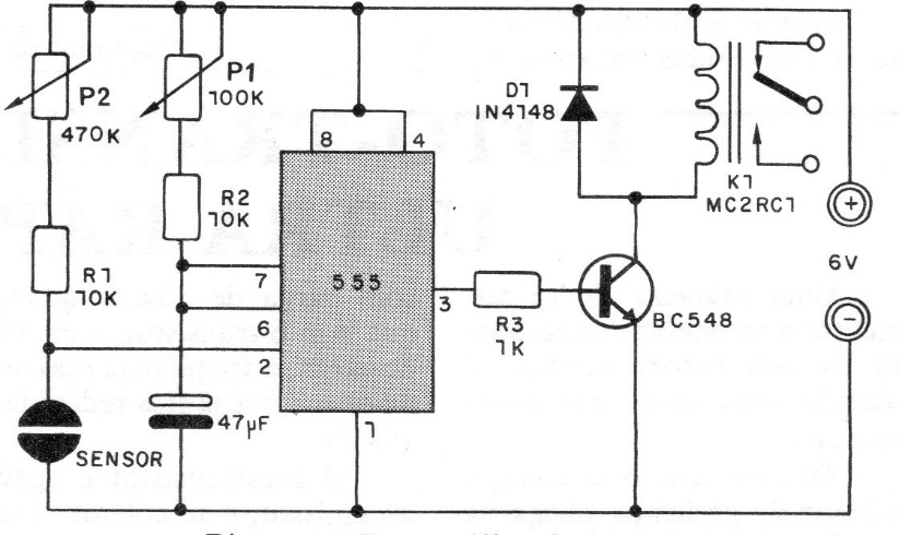
A touch on the sensor causes the relay to trip and remain so, for a time that can be adjusted in P1 and which also depends on the capacitor. This capacitor can have values up to 2,200 uF and P1 can have values up to 1 M for times up to 1 hour. The adjustment of the sensor is made in P1 which can have values up to 2M2. The supply voltage can be 6 or 12 V depending on the relay used. Never use a source without a transformer to power this circuit.




