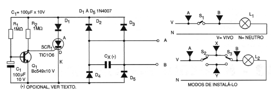
This circuit, which can only be used with incandescent lamps, is adapted to the common wall switch. What it does is turn off the lamp only after about 15 seconds the switch is opened. The circuit admits lamps up to 100 W and the SCR must have a small heat sink.




