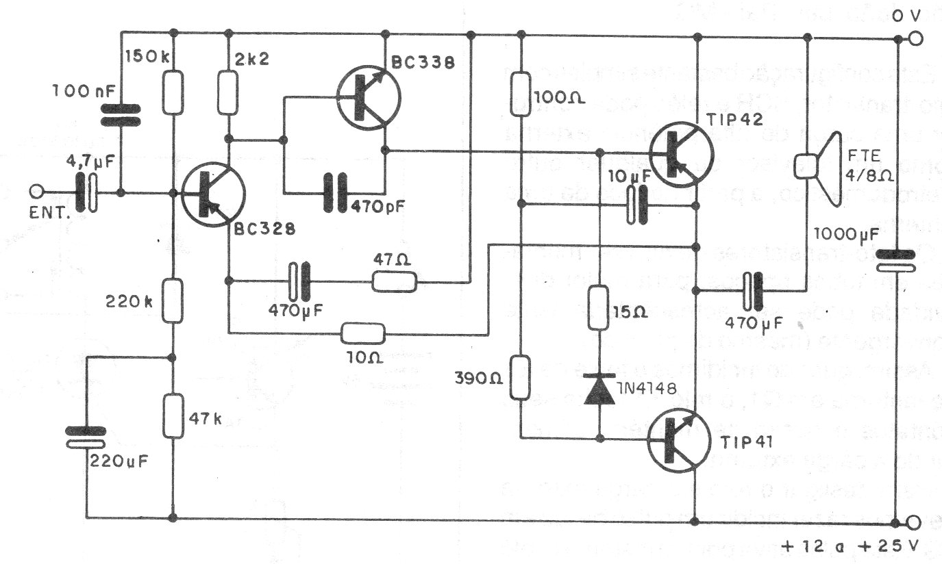
This traditional complementary configuration is from 1990 documentation. The transistors must have a heatsink and the source must supply at least 1.5 A of current. Maximum output power is obtained with a 25 V power supply.
This traditional complementary configuration is from 1990 documentation. The transistors must have a heatsink and the source must supply at least 1.5 A of current. Maximum output power is obtained with a 25 V power supply.