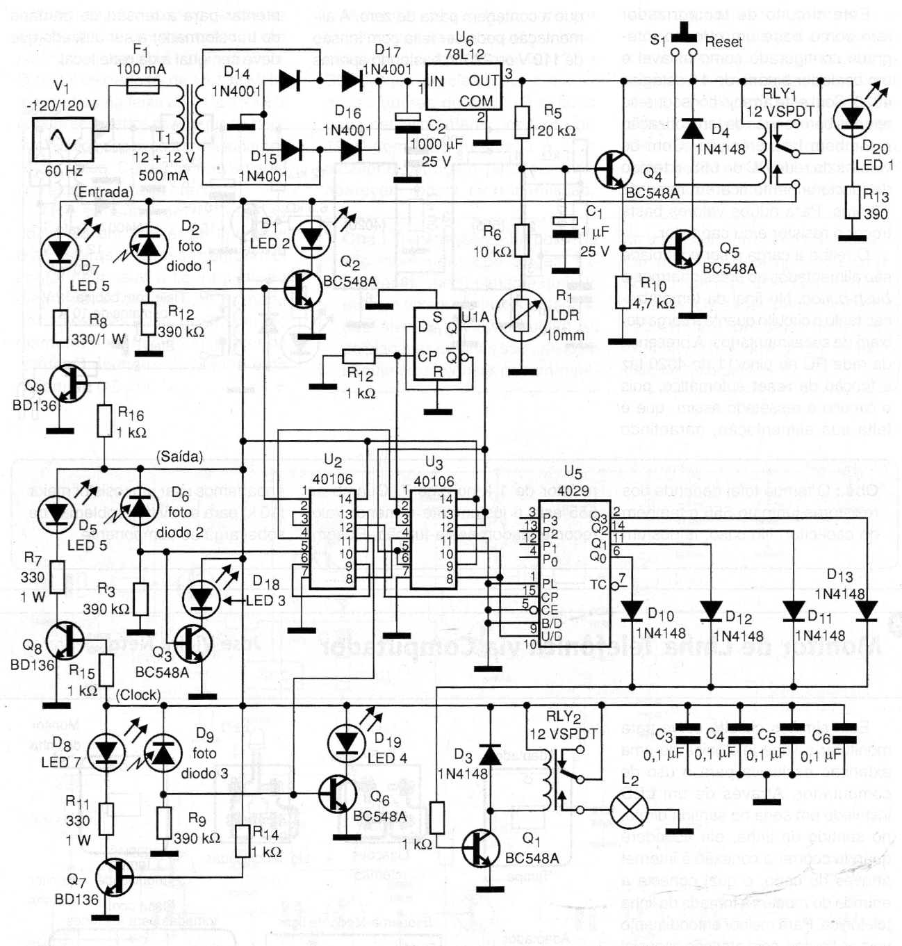
It is a circuit that automates the lighting of a specific location (bedroom, living room, kitchen, bathroom, hallway, etc.). As it is an event counter, the system keeps its output in the on state if there are people (up to 15) in the room. When one passes and cuts off the first beam of light (pair of LED and input photodiode), the counter is incremented by one. If more than one person (or more) passes through the same beam of light, the counter is increased by another unit. Likewise, as soon as a person passes through the third beam of light (LED pair and output photodiode), the counter is decremented by one and so on. The second beam of light (LED pair and clock photodiode) is the clock pulse that is sent to the counter and events.




