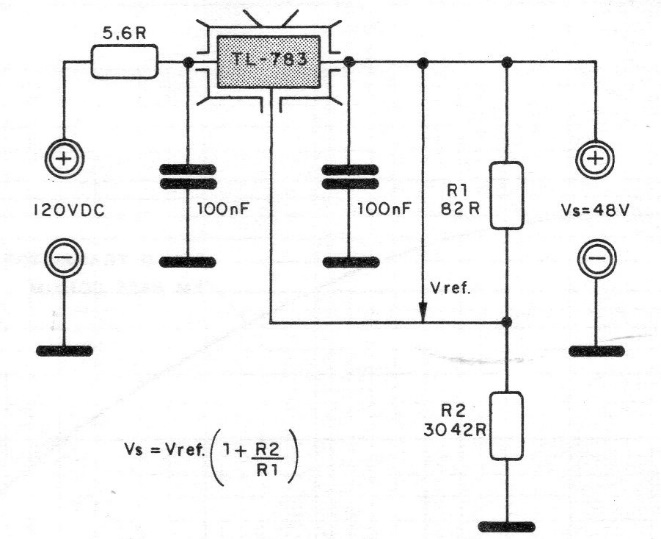
We found this circuit in Texas Instruments documentation from 1986. The circuit produces a regulated voltage of 48 V used in telephone equipment at the time. The integrated voltage regulator must have a good heat sink. The maximum output current is 1 A.




