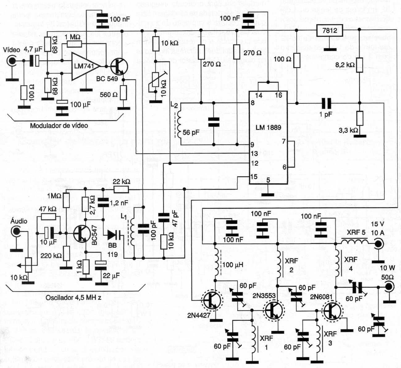
This transmitter can send its signals from several kilometers away, depending only on the antenna used and the local topographic conditions. Of course, legal restrictions for the operation of this type of equipment must also be observed. The coils have the following characteristics:
L1 - 40 turns of enameled wire 30 to 34 in a shape of 0.5 cm in diameter and 18 mm in height with adjustable ferrite core.
L2 - determines the frequency of the channel - 2 to 6 turns of wire 18 to 22 in a similar way to L1. For 2 or 3 turns, we will have high channels from 7 to 13 and from 4 to 6 turns the low channels.
RF shocks have the following characteristics:
XRF1, XRF2, XRF3 - 6 turns of fine wire (32) in 0.5 cm diameter ferrite. XRF4 - 10 coils of fine wire (32) in ferrite of 0.8 cm in diameter by 3 cm in length - XRF5 - 8 coils of the same wire in the previous ones in ferrite of 8 mm in diameter and 2 cm in length




