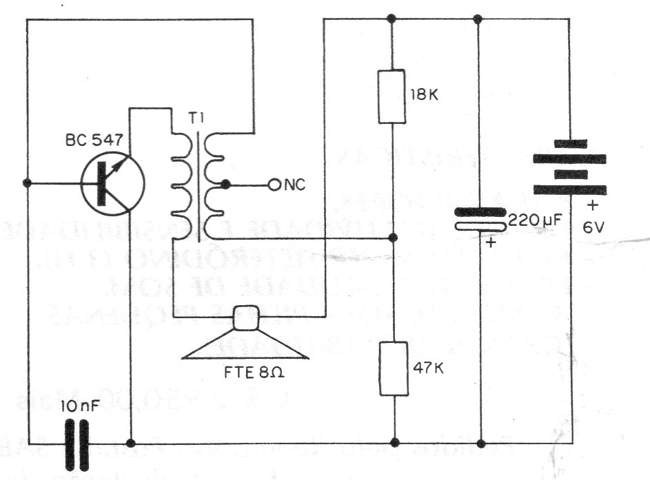
This simple blocking oscillator using a transistor can be used in alarms or call systems. The transformer is the type of output found on transistor radios. The capacitor determines the sound emitted and can be changed.
This simple blocking oscillator using a transistor can be used in alarms or call systems. The transformer is the type of output found on transistor radios. The capacitor determines the sound emitted and can be changed.