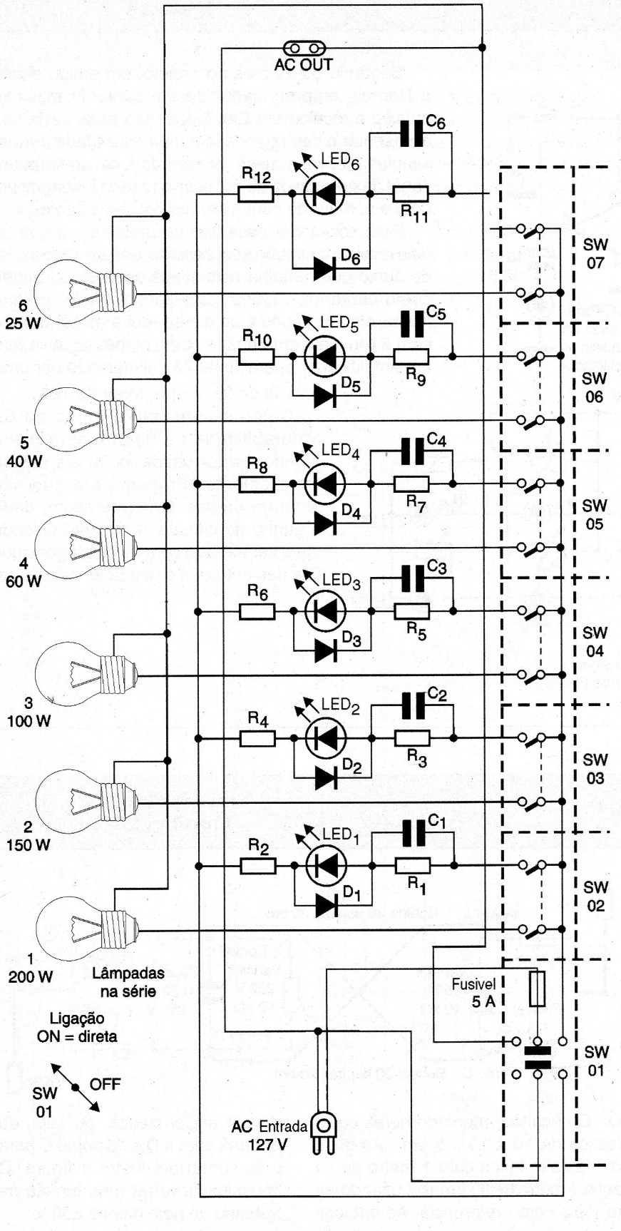
We found this interesting circuit with incandescent lamps in a 2005 publication. The idea is to use power proof lamps for testing electrical and electronic equipment as a standard lamp. The keys make the selection of the lamp that is being used in the test.




