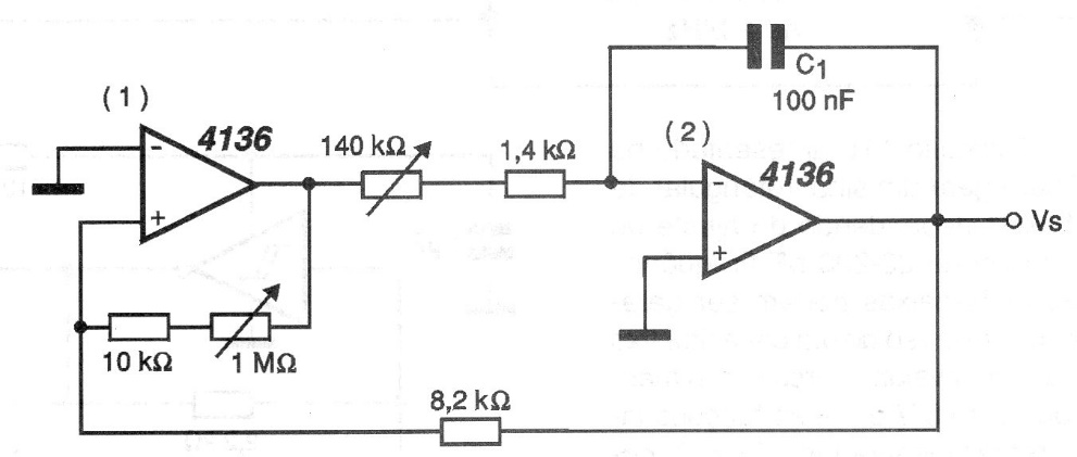
This circuit uses an operational like to the 741 having been found in a 2001 documentation. The power supply must be symmetrical, and the circuit has a frequency determined by C1. For the indicated value, the frequency is 1 kHz.
This circuit uses an operational like to the 741 having been found in a 2001 documentation. The power supply must be symmetrical, and the circuit has a frequency determined by C1. For the indicated value, the frequency is 1 kHz.