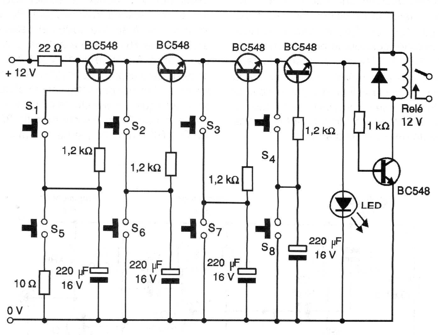
This 2001 circuit uses common transistors and can be used in an electronic lock. The relay trips only if the correct password is entered. The circuit is powered by 12 V which is the voltage of the relay used.
This 2001 circuit uses common transistors and can be used in an electronic lock. The relay trips only if the correct password is entered. The circuit is powered by 12 V which is the voltage of the relay used.